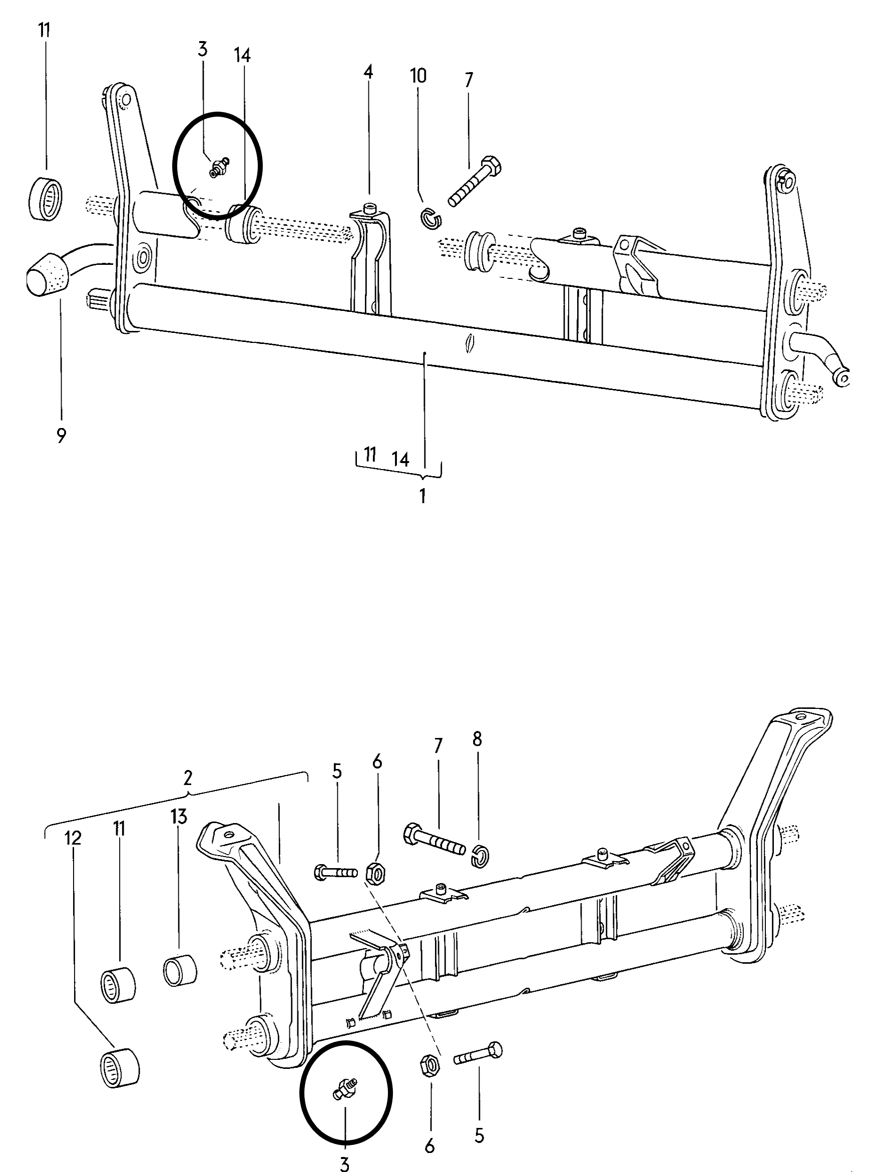
vooras vetnippel 10mm 90 graden

No reviews found
E-Mail info@henkdehoog.nl
Openingstijden Ma t/m Vrij: 8.00 - 17.00 Zaterdag; 8.30 - 12.00
Adres Theobaldusweg 3 5825 BH Overloon

No reviews found
Henk & Fons de Hoog
Theobaldusweg 3
5825BH Overloon
Wij zijn geopend:
Ma t/m Vrij 8.00 - 17.00
Zaterdag: Alleen op afspraak
