Kenmerken
VW nummer
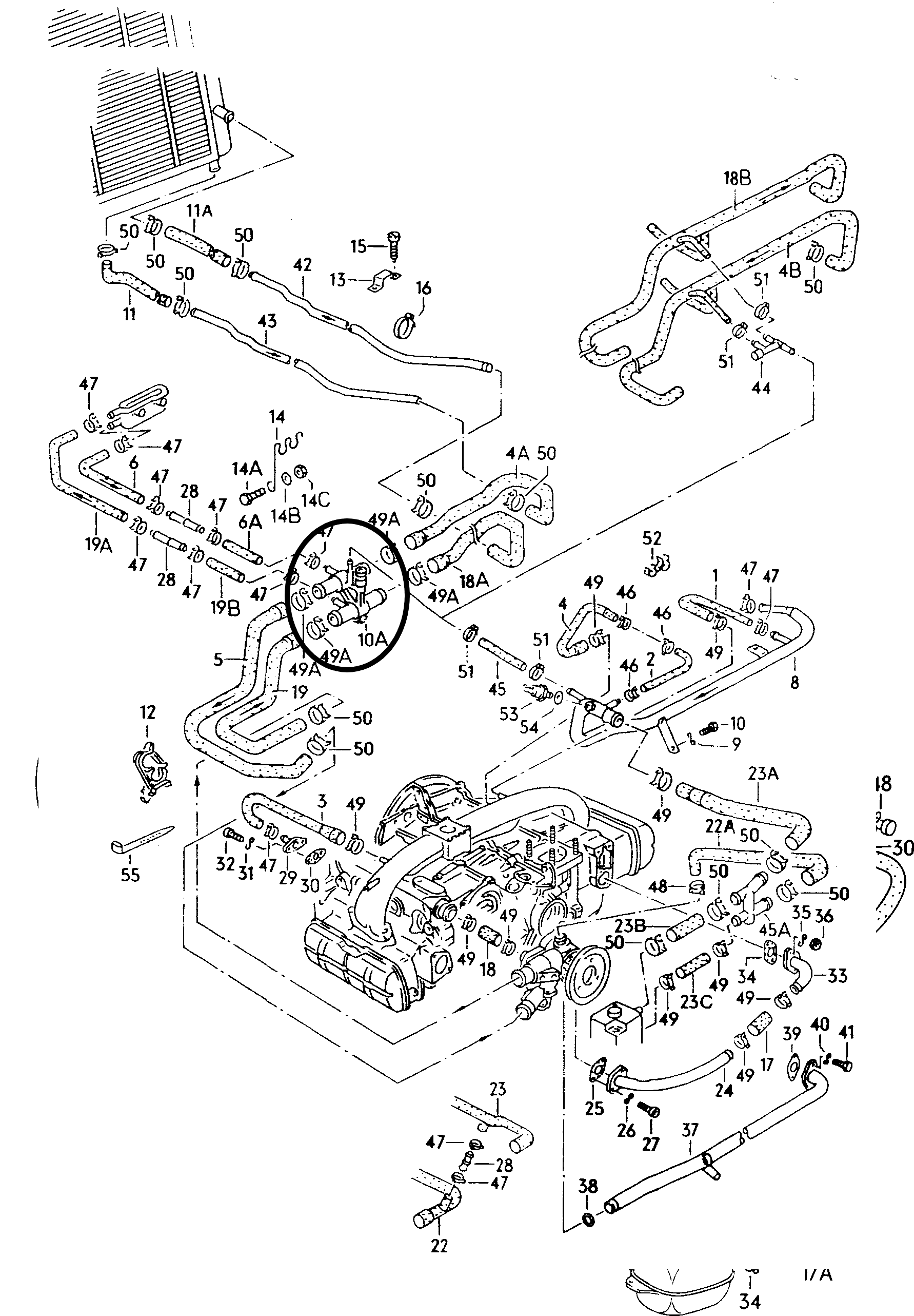
25121082
Omschrijving
verbindings stuk koeling met tap
OEM
OEM Nummer: 025 121 082
No reviews found
Log in zodat we u op de hoogte kunnen stellen van een antwoord.
