Kenmerken
VW nummer
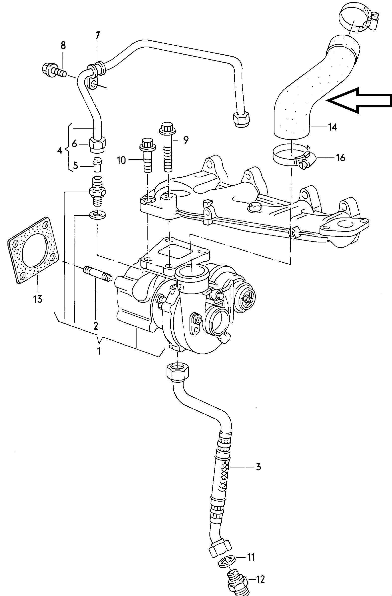
068129628E
Omschrijving
turbo slang voor JX motor
Geschikt voor model
1,6 TD JX motor
OEM
OEM Nummer: 068 129 628 E
No reviews found
Log in zodat we u op de hoogte kunnen stellen van een antwoord.
