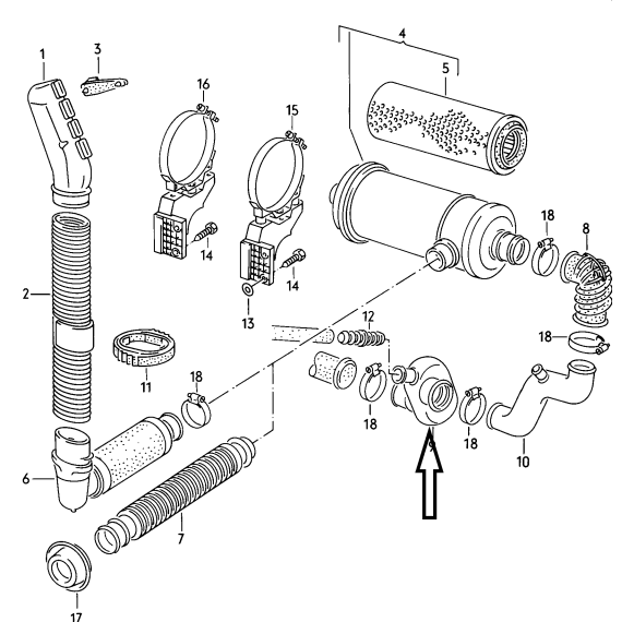
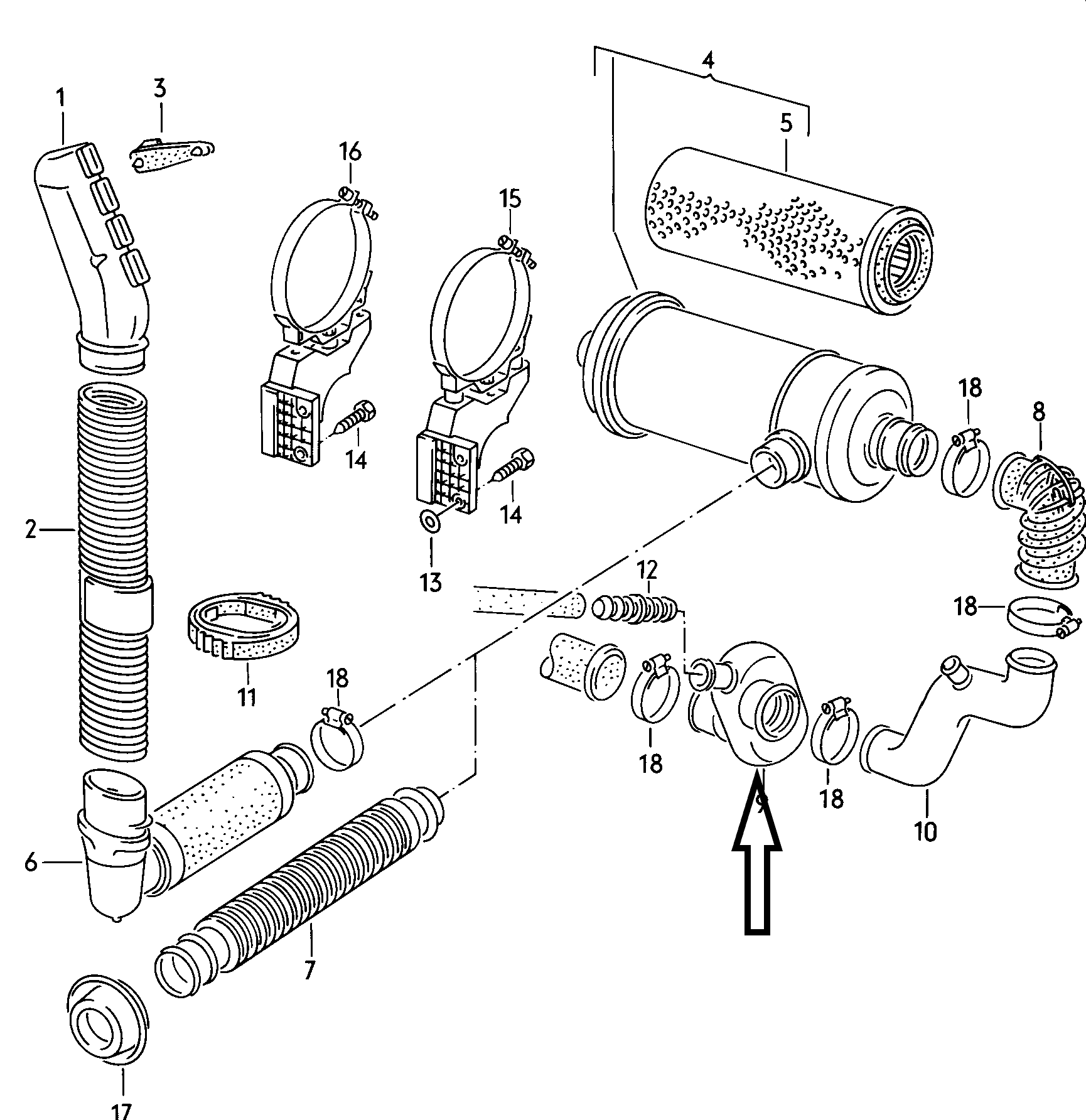
Kenmerken
VW nummer
68129627
Omschrijving
aanzuigslang voor luchtfilter
Geschikt voor model
1,6 TD JX motor
OEM
OEM Nummer: 068 129 627R
No reviews found
Log in zodat we u op de hoogte kunnen stellen van een antwoord.
