Kenmerken
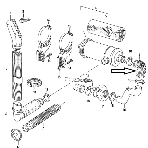
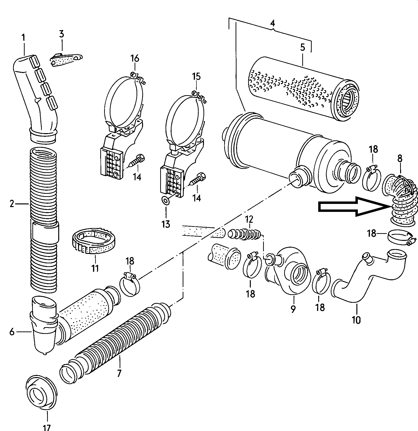
VW nummer
68129626
Omschrijving
aanzuigslang voor luchtfilter
Geschikt voor model
1,6 TD motor
OEM
OEM Nummer: 068 129 626
No reviews found
Log in zodat we u op de hoogte kunnen stellen van een antwoord.
